Use and specifications
TECHNICAL CHARACTERISTICS
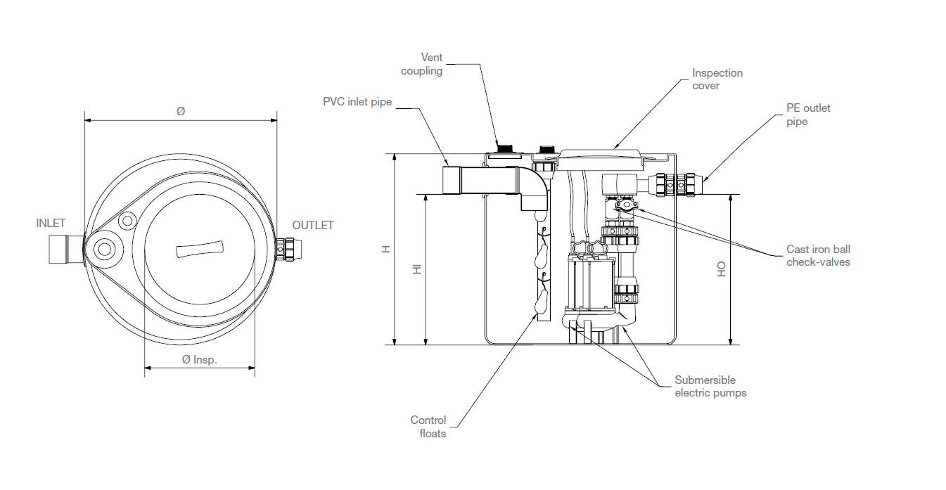
Sewage lift stations are systems that allow effluent to be lifted and transferred to stations located at higher levels (sewerage systems, treatment systems). They become necessary, for example, when the discharge level of a WC is lower than that of the treatment plant or sewerage pipes (cellars, underground premises, etc.) and when the hydraulic profile of the treatment system cannot work by gravity.
The station consists of a linear polyethylene (LLDPE) storage tank of various sizes, with a submerged electric pump installed inside it. If the flow rates of waste water to be lifted are very high and/or variable and if the presence of a spare pump is necessary, dual pump models are provided. The pumps are connected to suitable electric panels so that, according to requirements, the start-up command can be either manual or automatic by means of start/stop float switches located inside the tank.
Depending on need, the lift stations can be equipped with various types of pumps with different heads, flow rates and working pressures. For pumps possessing particular characteristics, contact the ROTOTEC technical office.
USE: to pump pre-treated and untreated waste water, rainwater, etc. to higher levels.

Smooth
PUMPS FOR LIFT STATIONS

Multi-channel impeller pumps
Submersible electric pumps with multichannel open shim impeller. These are ideal to pump clear and turbid water without solid and stringy matter, for example rainwater and treated waste water

Vortex impeller pumps
Submersible electric pumps with vortex impeller. These are ideal for low head (<8 m) pumping of sewage, including sewage with solid or stringy matter in suspension, such as water from marshy land and untreated domestic sewage

Macerator impeller pumps
Submersible electric pumps with macerator impeller. These are ideal for pumping of sewage, including sewage with solid or stringy matter in suspension, such as water from marshy land and untreated domestic sewage. Reduction of the solids into small fragments and the high pressure generated by the pump allow considerable differences in level to be overcome
PANELS FOR LIFT STATIONS

Single pump direct electric panel for lift station
Pump start-up panel for sewage lift station. The start-up command can be either manual or automatic by means of start/stop float switches in the tank. The electric panel is fitted with visual alarms (warning lights) and is set-up to connect a self-powered audible alarm (mod. QALARM) to signal faults, including in the presence of a power cut. The power supply can be single-phase (domestic type: 230 V) or three-phase (industrial type: 400 V)

Dual pump direct electric panel for lift station
Pump start-up panel enabling activation of alternate or simultaneous operation mode of No. 2 pumps for sewage lift station. The start-up command can be either manual or automatic by means of a series of start/stop float switches positioned at different levels in the tank. The electric panel is fitted with visual alarms (warning lights) and is set-up to connect an audible alarm (mod. QALARM) to signal faults. The power supply can be single-phase (domestic type: 230 V) or three-phase (industrial type: 400 V)

Alarm unit electric panel
Audible/visual alarm for fault signalling. The unit is set-up for connection to the electric start-up panels of sewage pumps or to a level float (overflow). For installation in lift stations
Please contact us to request an estimate or any other information on the product!



